12
碗型电镀砂轮对于非标工件有很好磨削定型作用.电镀金刚石砂轮对于一些复杂型面磨削。如硬度较高的石英玻璃、工业陶瓷、磁刚、玻璃等开槽、打孔、磨弧度、切割、磨平台、磨斜面都可以设计电镀砂轮磨削, 但因金刚石在700℃~800℃时容易碳化,所以它不适于磨削钢料。碗型电镀砂轮具有高强度的金属基体,电镀结合剂对金刚石磨粒的把持力强,基体成型精度高等优点,尤其是对玻璃纤维、塑料PP、聚丙烯的大余量大进作业,有着高效的磨削性能。

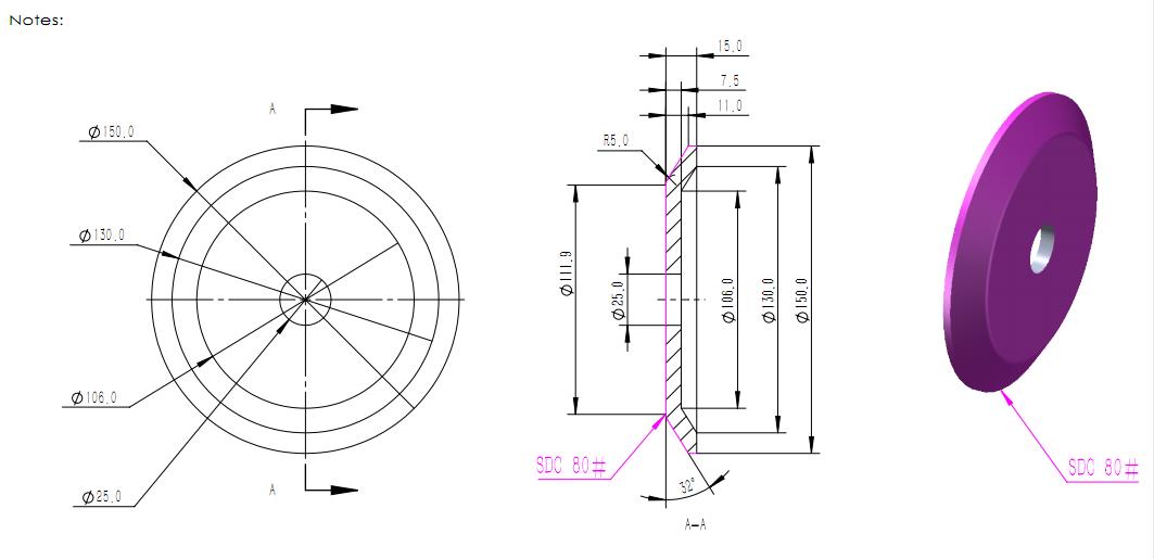
产品名称:碗型电镀砂轮
形状:异型/碗型
外径D:150MM
厚度T:15MM
孔径H:25MM
弧度R:5
角度V:32度
包边宽度:62.5MM
磨料:金刚石
结合剂:电镀
电镀区域:背面,见图纸
粒度:60目-80目(其余粒度可订制)
尺寸:150D*15T*25H*62.5X*32V SDC80P
用途:用于玻璃纤维、玻璃钢、聚丙烯等成型粗磨水磨加工
产地:东莞
交期:7-10天
玻璃纤维(英文原名为:glass fiber或fiberglass )是一种性能优异的无机非金属材料,种类繁多,优点是绝缘性好、耐热性强、抗腐蚀性好,机械强度高,但缺点是性脆,耐磨性较差。它是以玻璃球或废旧玻璃为原料经高温熔制、拉丝、络纱、织布等工艺制造成的,其单丝的直径为几个微米到二十几米个微米,相当于一根头发丝的 1/20-1/5 ,每束纤维原丝都由数百根甚至上千根单丝组成。玻璃纤维通常用作复合材料中的增强材料,电绝缘材料和绝热保温材料,电路基板等国民经济各个领域。东莞东巨磨具店专门设计行业类砂轮,我公司可根据您的的磨削要求,匹配对应的砂轮参数,对于要求相对较高的工序,需要提供一些工件参数,比如邵氏硬度,磨削余量,粗糙度,工件大小,磨削方式等等,欢迎来图来样订做。